0
0

Шків AP3024S AS

В наявності
Код: 2861868
Артикул: AP3026S
Виробник: AS-PL
Оплата
Visa
MasterCard
Maestro
Apple Pay
Google Pay
Доставка
Доставка Новою Поштою
Доставка Новою Поштою
Адреси найближчих відділень дивитися на карті
від
80 грн.
Самовивіз
Самовивіз
м. Костопіль, вул. Свободи, 39
Безкоштовно

Опис Шків AP3024S AS

Застосовується в:

Артикул Виробник
2541321 VALEO
2541694 VALEO
2541694D VALEO
A13VI130 VALEO
A13VI150 VALEO
A13VI18 VALEO
A13VI76 VALEO
A3065 AS-PL
A3075 AS-PL
A3076 AS-PL

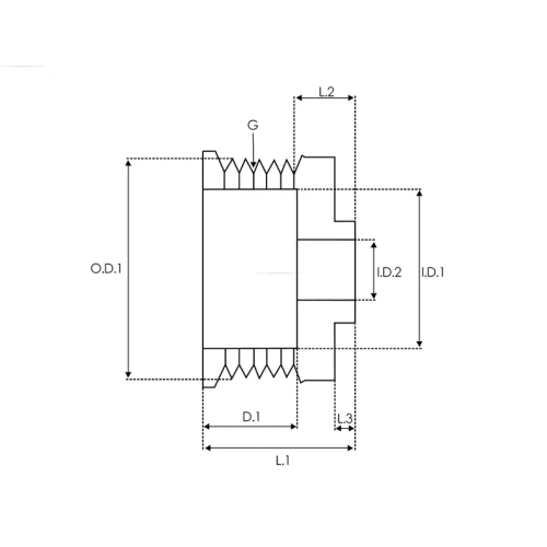
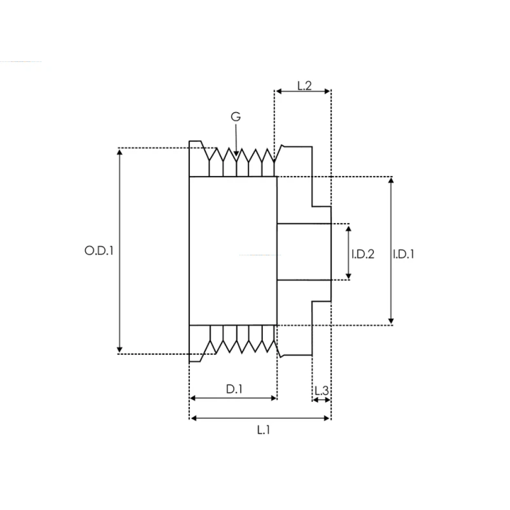
Основні характеристики Шків AP3024S AS

Відстань від торця обойми L.2 [мм] 11.00
Відстань між кріпильними отворами O.1 [ мм ] 34.00
Висота H.3 [ мм ] 6.40
Внутрішній діаметр I.D.1 [ мм ] 17.00
Діаметр отвору D.1 15.00
Зовнішній діаметр O.D.1 [ мм ] 46.00
Загальна довжина L.1[мм] 30.00
Кількість пазів шківа[шт] 5

Відгуки про Шків AP3024S AS

0
0
1
0%
2
0%
3
0%
4
0%
5
0%

Відгуків про цей товар ще не було.

Питання та відповіді (FAQ) Шків AP3024S AS

Немає запитань про цей товар.
Шків AP3024S AS
Шків AP3024S AS
Код: 2861868
В наявності
230 грн.
icon_viber icon_teleg icon_callback icon_email