0
0

Шків інерційний AFP1004 INA 051.000.193.810

В наявності
Код: 2911651
Артикул: AFP1004(INA)
Виробник: INA
Оплата
Visa
MasterCard
Maestro
Apple Pay
Google Pay
Доставка
Доставка Новою Поштою
Доставка Новою Поштою
Адреси найближчих відділень дивитися на карті
від
80 грн.
Самовивіз
Самовивіз
м. Костопіль, вул. Свободи, 39
Безкоштовно

Опис Шків інерційний AFP1004 INA 051.000.193.810

Інерційний шків для автомобільного генератора (обгонна муфта) допомагає зменшити навантаження на ремінь і знижує вібрації під час роботи двигуна. Завдяки цьому генератор працює плавніше, а ремінь служить довше. Такий шків особливо корисний при зміні обертів двигуна, забезпечуючи стабільну роботу системи

Застосовується в:

Артикул Виробник
1202117 OPEL
1202118 OPEL
1202261 OPEL
1202264 OPEL
13500186 OPEL

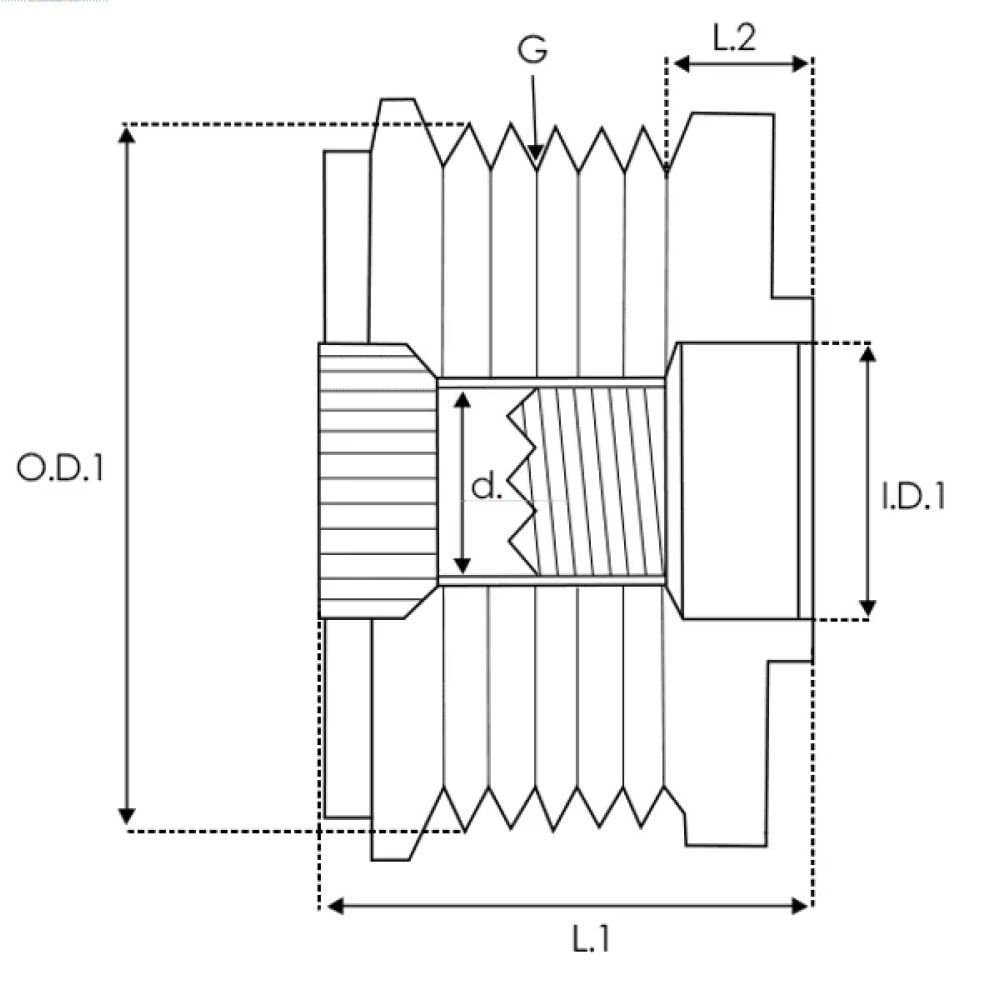
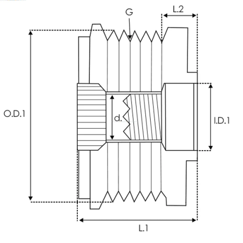
Основні характеристики Шків інерційний AFP1004 INA 051.000.193.810

Відстань від торця обойми L.2 [мм] 10.80
Внутрішній діаметр I.D.1 [ мм ] 17.00
Різьба та діаметр болта D+[мм] M16X1.5
Зовнішній діаметр O.D.1 [ мм ] 59.50
Загальна довжина L.1[мм] 40.80
Кількість пазів шківа[шт] 6

Відгуки про Шків інерційний AFP1004 INA 051.000.193.810

0
0
1
0%
2
0%
3
0%
4
0%
5
0%

Відгуків про цей товар ще не було.

Питання та відповіді (FAQ) Шків інерційний AFP1004 INA 051.000.193.810

Немає запитань про цей товар.
Шків інерційний AFP1004 INA 051.000.193.810
Шків інерційний AFP1004 INA 051.000.193.810
Код: 2911651
В наявності
1200 грн.
icon_viber icon_teleg icon_callback icon_email