0
0

Шків інерційний AFP5008 INA 051.000.160.810

В наявності
Код: 2438039
Артикул: AFP5008(INA)
Виробник: INA
Оплата
Visa
MasterCard
Maestro
Apple Pay
Google Pay
Доставка
Доставка Новою Поштою
Доставка Новою Поштою
Адреси найближчих відділень дивитися на карті
від
80 грн.
Самовивіз
Самовивіз
м. Костопіль, вул. Свободи, 39
Безкоштовно

Опис Шків інерційний AFP5008 INA 051.000.160.810

Інерційний шків для автомобільного генератора (обгонна муфта) допомагає зменшити навантаження на ремінь і знижує вібрації під час роботи двигуна. Завдяки цьому генератор працює плавніше, а ремінь служить довше. Такий шків особливо корисний при зміні обертів двигуна, забезпечуючи стабільну роботу системи

Застосовується в:

Артикул Виробник
A002TG1081ZT MITSUBISHI
A002TG1081ZTDM MITSUBISHI
A002TG1081ZTKD MITSUBISHI
A002TJ1081 MITSUBISHI
A002TX1781 MITSUBISHI
A002TX1781A MITSUBISHI
A002TX1781AE MITSUBISHI
A002TX1781ZE MITSUBISHI
A002TX1781ZZ1 MITSUBISHI
A003TG2681AE MITSUBISHI
A003TG2681AEDM MITSUBISHI
A003TG2681BE MITSUBISHI
A003TG2681ZE MITSUBISHI
A003TJ0781 MITSUBISHI
A003TJ0781AE MITSUBISHI
A003TJ0781BE MITSUBISHI
A003TJ0781ZE MITSUBISHI
A2TG1081ZT MITSUBISHI
A2TG1081ZTDM MITSUBISHI
A2TG1081ZTKD MITSUBISHI
A2TJ1081 MITSUBISHI
A2TX1781 MITSUBISHI
A2TX1781A MITSUBISHI
A2TX1781AE MITSUBISHI
A2TX1781ZE MITSUBISHI
A2TX1781ZZ1 MITSUBISHI
A3TG2681AE MITSUBISHI
A3TG2681AEDM MITSUBISHI
A3TG2681BE MITSUBISHI
A3TG2681ZE MITSUBISHI
A3TJ0781 MITSUBISHI
A3TJ0781AE MITSUBISHI
A3TJ0781BE MITSUBISHI
A3TJ0781ZE MITSUBISHI
A5081 AS-PL
A5226 AS-PL

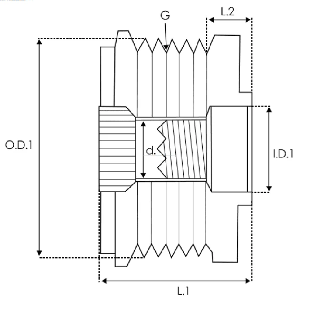
Основні характеристики Шків інерційний AFP5008 INA 051.000.160.810

Відстань від торця обойми L.2 [мм] 9.60
Внутрішній діаметр I.D.1 [ мм ] 17.00
Різьба та діаметр болта D+[мм] M17x1.5
Зовнішній діаметр O.D.1 [ мм ] 64.80
Загальна довжина L.1[мм] 39.30
Кількість пазів шківа[шт] 7

Відгуки про Шків інерційний AFP5008 INA 051.000.160.810

0
0
1
0%
2
0%
3
0%
4
0%
5
0%

Відгуків про цей товар ще не було.

Питання та відповіді (FAQ) Шків інерційний AFP5008 INA 051.000.160.810

Немає запитань про цей товар.
Шків інерційний AFP5008 INA 051.000.160.810
Шків інерційний AFP5008 INA 051.000.160.810
Код: 2438039
В наявності
1490 грн.
icon_viber icon_teleg icon_callback icon_email